Mô tả
Bơm cánh gạt VDR22 Nachi được nhập và phân phối trực tiết tại Thủy lực An Huy. Chúng tôi cam kết mang đến các sản phẩm chất lượng nhất phù hợp với nhu cầu khách hàng với giá cả phải chăng nhất. Tất cả các sản phẩm đều có giấy tờ CO CQ chứng minh nguồn gốc xuất xứ. Liên hệ HOTLINE 0977282045 để được tư vấn!
MÔ TẢ CHI TIẾT VỀ BƠM CÁNG GẠT VDR22
NACHI là thương hiệu thuỷ lực nổi tiếng xuất sứ Nhật Bản. Với sự hình thành và phát triển gần 100 năm, Nachi luôn đưa ra các sản phẩm thủy lực tốt nhất đến thị trường.
Bơm cánh gạt VDR22 NACHI được khách hàng đáng giá cao về chất lượng, giá cả và kiểm định.
SƠ ĐỒ LẮP ĐẶT

THÔNG SỐ KÝ THUẬT
- Lưu lượng 40l/phút có áp suất max 7Mpa
- Lưu lượng 30l/phút có áp suất max 14Mpa
- Hoạt động ổn định , hiệu quả cao lên đến 14Mpa
- Có cơ chế giảm thiêu rung động vòng , cấu trúc cân bằng áp suất không rò rỉ cho phép vận hành hiệu quả cao
- Phản ứng tức thời có độ chính xác cao
- Giảm thiệu tối đa năng lượng
Tham khảo: Bảng giá Bơm thủy lực Nachi


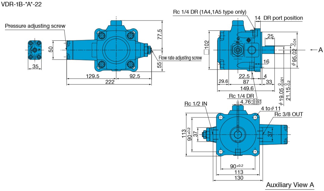
KÍCH THƯỚC LẮP ĐẶT


ỨNG DỤNG BƠM CÁNH GẠT VDR22
Bơm cánh gạt VDR22 được sử dụng rộng rãi trong các máy như máy ép nhựa, máy cán , máy dập , máy công trình,…..
Với các bộ nguồn thủy lực yêu cầu công suất lớn để phục vụ ép, nén, kéo, đẩy… thì cũng sử dụng bơm cánh gạt VDR22 của Nachi để đem lại hiệu quả cho các ngành: chế biến gỗ, đóng tàu… hay máy móc trên công trường xây dựng, xưởng đóng tàu…
Muốn sử dụng bơm hiệu quả thì yếu tố dầu thủy lực có tác động rất quan trọng. Khách hàng nên chọn dầu thủy lực đã được làm sạch qua lọc hoặc máy lọc dầu để tách chất bẩn. Bên cạnh đó, dầu cũng cần phải tản nhiệt hoặc giải nhiệt để giảm nhiệt.
Tham khảo: Bơm bánh răng Denison chính hãng giá tốt
BẢNG GIÁ BƠM CÁNH GẠT VDR22 TỐT NHẤT THỊ TRƯỜNG.
Thủy lực An Huy tự hào là nhà phân phối các sản phẩm bơm thuỷ lực, van thuỷ lực của Nachi tại Việt Nam. Chúng tôi có đội ngũ kỹ thuật tư vấn miễn phí, thiết kế hệ thống thuỷ lực theo yêu cầu khách hàng.
Quý khách có nhu cầu tư vấn hãy liên hệ ngay với chúng tôi!
Công ty Cổ phần Tự động hóa An Huy
Địa chỉ: Số 91 Đường Đê La Thành, Ô Chợ Dừa, Đống Đa, Hà Nội.
Số điện thoại: 0243-513-2848, bấm phím 102 để gặp bộ phận kinh doanh hoặc liên hệ Hotline: 0977282045
Email: anhuyhydraulic@gmail.com















