Mô tả
Van giảm áp Vickers DGMX2 5 PB GW B 30 được Thủy lực An Huy nhập khẩu chính hãng với giá cả phải chăng, chất lượng tốt cùng độ bền cao. Quý khách có nhu cầu vui lòng liên hệ Thủy lực An Huy chúng tôi qua hotline 0977.282.045 để được tư vấn và hỗ trợ đặt hàng nhanh nhất.
Van giảm áp Vickers DGMX2 5 PB GW B 30 hàng chính hãng, chất lượng cao
- Xuất xứ: Vickers – Eaton
- Hàng chất lượng, chính hãng 100%
- Chính sách mua hàng, vận chuyển và bảo hành trên toàn quốc

Van-giam-ap-Vickers-DGMX2-5-PB-GW-B-30

Van-giam-ap-Vickers-DGMX2-5-PB-GW-B-30

Van-giam-ap-Vickers-DGMX2-5-PB-GW-B-30
Xem thêm: Van một chiều cổng đơn DGMDC-3-Y-PK-41 0.188813.R
Thông số kỹ thuật Van giảm áp Vickers DGMX2 5 PB GW B 30
- Lưu lượng max: 120l/min
- Áp suất max: 315 bar
- Phạm vi áp suất: 8.5-315 bar

thong-so-ky-thuat-Van-giam-ap-Vickers-DGMX2-5-PB-GW-B-30
Mã đặt hàng Van giảm áp Vickers DGMX2 5 PB GW B 30

ma-dat-hang-Van-giam-ap-Vickers-DGMX2-5-PB-GW-B-30

ma-dat-hang-Van-giam-ap-Vickers-DGMX2-5-PB-GW-B-30
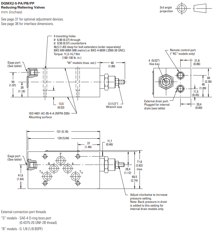
Bản vẽ kích thước lắp đặt Van giảm áp Vickers DGMX2 5 PB GW B 30

ban-ve-kich-thuoc-lap-dat-Van-giam-ap-Vickers-DGMX2-5-PB-GW-B-30
Địa chỉ cung cấp Van giảm áp Vickers DGMX2 5 PB GW B 30 uy tín

Thủy lực An Huy là địa chỉ cung cấp Van giảm áp Vickers DGMX2 5 PB GW B 30 uy tín, chất lượng hàng đầu cả nước. Với 15 năm kinh nghiệm trong nghề cùng đội ngũ cố vấn là các giáo sư, phó giáo sư, tiến sĩ đến từ các trường đại học hàng đầu cả nước như Đại học Bách khoa, Công nghiệp, Giao thông vận tải, Mỏ địa chất,…Thủy lực An Huy tự hào là đơn vị số 1 cả nước trong lĩnh vực thủy lực, thủy khí và luôn nỗ lực mang đến cho quý khách hàng những sản phẩm chất lượng từ các thương hiệu nổi tiếng thế giới như Parker, Nachi, Yuken, Eaton, Huade,…
Quý khách hệ ngay chúng tôi qua hotline 0977.282.045 để được hỗ trợ đặt hàng nhanh nhất và báo giá đại lý. Ngoài ra, Công ty An Huy còn có địa chỉ xưởng sản xuất tại Lô 35, khu công nghiệp Lại Yên, Hoài Đức, Hà Nội
Thuỷ lực An Huy cam kết:
- Giá cả tốt nhất thị trường
- Có CO, CQ đầy đủ
- Đội ngũ kỹ thuật viên giàu kinh nghiệm đảm bảo mang đến cho khách hàng những trải nghiệm mua hàng tuyệt vời nhất.
CÔNG TY CỔ PHẦN TỰ ĐỘNG HÓA AN HUY
——————————————————————————
Địa chỉ : 91 Đê La Thành, Ô Chợ Dừa, Đống Đa, Hà Nội
Điện thoại: 0977282045 – 0989257507
Email: anhuyhydraulic@gmail.com
——————————————————————————
Xem thêm: Van Vickers Directional Valve DG4V 5 2AJ VMU H6 20
















