Van một chiều cổng đơn DGMDC-3-Y-PK-41 0.188813.R
Giá: Liên Hệ
Mua ngay Gọi điện xác nhận và giao hàng tận nơiMô tả
Van một chiều cổng đơn DGMDC-3-Y-PK-41 0.188813.R tại Thủy lực An Huy luôn sẵn hàng với số lượng lớn cùng chất lượng phải tốt bậc nhất thị trường. Liên hệ ngay Thủy lực An Huy chúng tôi qua hotline 0977.282.045 để được đội ngũ tư vấn hỗ trợ giải đáp thắc mắc và đặt hàng nhanh chóng.
Van một chiều cổng đơn DGMDC-3-Y-PK-41 0.188813.R hàng chính hãng
- Xuất xứ: Vickers – Eaton
- Sản phẩm CO, CQ đầy đủ
- Chính sách mua hàng, vận chuyển và bảo hành trên toàn quốc

Van-mot-chieu-cong-don-DGMDC-3-Y-PK-41-0.188813.R

Van-mot-chieu-cong-don-DGMDC-3-Y-PK-41-0.188813.R

Van-mot-chieu-cong-don-DGMDC-3-Y-PK-41-0.188813.R
Xem thêm: Van thủy lực VICKERS Directional Valve DG4V-3S-2A-MU-D5-61
Thông số kỹ thuật Van một chiều cổng đơn DGMDC-3-Y-PK-41 0.188813.R
- Lưu lượng max: 60l/min
- Áp suất max: 315 bar
- Áp suất mở van: 1 bar

thong-so-ky-thuat-Van-mot-chieu-cong-don-DGMDC-3-Y-PK-41-0.188813.R
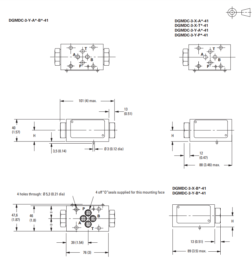
Bản vẽ kích thước lắp đặt Van một chiều cổng đơn DGMDC-3-Y-PK-41 0.188813.R

ban-ve-kich-thuoc-lap-dat-Van-mot-chieu-cong-don-DGMDC-3-Y-PK-41-0.188813.R
Mã đặt hàng Van một chiều cổng đơn DGMDC-3-Y-PK-41 0.188813.R

ma-dat-hang-Van-mot-chieu-cong-don-DGMDC-3-Y-PK-41-0.188813.R
Địa chỉ cung cấp Van một chiều cổng đơn DGMDC-3-Y-PK-41 0.188813.R

Thủy lực An Huy tự hào là địa chỉ cung cấp Van một chiều cổng đơn DGMDC-3-Y-PK-41 0.188813.R uy tín và chất lượng hàng đầu cả nước. Với 15 năm kinh nghiệm trong lĩnh vực thủy lực, thủy khí, Thủy lực An Huy luôn nỗ lực mang đến cho khách hàng những sản phẩm chất lượng đến từ những thương hiệu nổi tiếng hàng đầu thế giới như Parker, Nachi, Eaton, Yuken, Huade,… Liên hệ ngay chúng tôi qua hotline 0977.282.045 để được tư vấn miễn phí và báo giá đại lý.
Thủy lực An Huy cam kết:
- Hàng chất lượng, chính hãng 100%
- Giá cả ưu đãi
- Đội ngũ kỹ thuật viên giàu kinh nghiệm và trình độ chuyên môn cao đảm bảo mang đến cho khách hàng những trải nghiệm mua hàng tuyệt vời nhất.
Ngoài ra, Công ty An Huy còn có địa chỉ xưởng sản xuất ở Lô 35, khu công nghiệp Lại Yên, Hoài Đức, Hà Nội.
CÔNG TY CỔ PHẦN TỰ ĐỘNG HÓA AN HUY
——————————————————————————
Địa chỉ : 91 Đê La Thành, Ô Chợ Dừa, Đống Đa, Hà Nội
Điện thoại: 0977282045 – 0989257507
Email: anhuyhydraulic@gmail.com
——————————————————————————
Xem thêm: Van thủy lực điều khiển bằng điện VICKERS Directional Valve

















