Mô tả
Van thủy lực DSG-03-2B2A-A100-50 Yuken sẵn hàng giá tốt nhất tại Thủy Lực An Huy. Quý khách hàng và đối tác quan tâm, vui lòng liên hệ hotline 0977.282.045 để được tư vấn nhanh chóng, chính xác nhất.
Van thủy lực DSG-03-2B2A-A100-50 Yuken chính hãng tại An Huy
- Xuất xứ: Yuci Yuken
- Sản phẩm được vận chuyển toàn quốc và đã được kiểm định chất lượng nghiêm ngặt trước khi chuyển giao lắp đặt cho khách hàng. Van Yuken DSG thường được ứng dụng để lắp đặt trong hệ thống thủy lực của nhà máy sản xuất xi măng, sắt thép, luyện kim,..
Xem thêm: Van Yuken DSG-03-3C2-D24-50
Thông số kỹ thuật van Yuken DSG-03-2B2A-A100-50

thong-so-ky-thuat-van-yuken-DSG-03-2B2A-A100-50
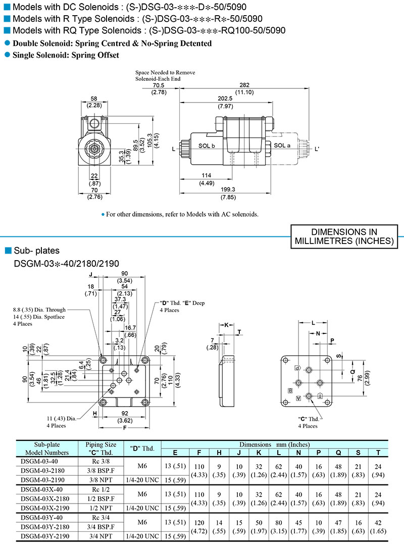
Bản vẽ kích thước lắp đặt van Yuken DSG-03-2B2A-A100-50

ban-ve-kich-thuoc-lap-dat-van-yuken-DSG-03-2B2A-A100-50

ban-ve-kich-thuoc-lap-dat-van-yuken-DSG-03-2B2A-A100-50
Sơ đồ chọn mã van Yuken DSG-03-2B2A-A100-50

so-do-chon-ma-van-yuken-DSG-03-2B2A-A100-50
Bảng thông số lưu lượng van Yuken DSG-03-2B2A-A100-50

bang-thong-so-luu-luong-van-yuken-DSG-03-2B2A-A100-50
Nhà cung cấp van Yuken DSG-03-2B2A-A100-50 chất lượng tại Việt Nam
Van thủy lực DSG-03-2B2A-A100-50 Yuken hiện đang được phân phối trên toàn quốc bởi Thủy Lực An Huy. Với gần 15 năm kinh nghiệm hoạt động trong lĩnh vực tự động hóa và thiết bị thủy lực, chúng tôi tự tin mang đến cho quý khách hàng những sản phẩm chất lượng tốt và uy tín nhất toàn quốc. Chúng tôi cam kết:
- Hàng chính hãng từ nhà sản xuất, giấy tờ chứng nhận đầy đủ
- Chính sách vận chuyển, sửa chữa và bảo hành toàn quốc
- Đội ngũ kỹ thuật viên dày dặn kinh nghiệm, đảm bảo tư vấn chính xác và phù hợp nhất với nhu cầu của khách hàng.
CÔNG TY CỔ PHẦN TỰ ĐỘNG HÓA AN HUY
 ——————————————————————————
 Địa chỉ : 91 Đê La Thành, Ô Chợ Dừa, Đống Đa, Hà Nội
 Điện thoại: 0977282045
 Email: anhuyhydraulic@gmail.com
 ——————————————————————————
Xem thêm: Van DSG-03-3C9-A240-50








 
 


 
  
 






