Mô tả
Van điện SE-G01-H3X-GRV-D2-40 Nachi là dòng van thủy lực điều khiển bằng điện đến từ Nhật Bản, phân phối chính hãng tại Thủy Lực An Huy. Sản phẩm được sử dụng phổ biến trong các hệ thống thủy lực yêu cầu khả năng tiết kiệm điện năng, vận hành ổn định và tuổi thọ cao. Liên hệ ngay qua hotline 0977.282.045 để được tư vấn chi tiết.
Mô tả Van điện SE-G01-H3X-GRV-D2-40 Nachi
– Xuất xứ: Nachi – Japan
– Lưu lượng tối đa: 4 lít/phút
– Áp suất làm việc tối đa : khoảng 163 bar
– Hàng chính hãng, có sẵn tại kho Thủy Lực An Huy
Xem thêm: Van thủy lực D1VW016FNJW91 Parker chất lượng cao.
Thông số kỹ thuật Van điện SE-G01-H3X-GRV-D2-40 Nachi
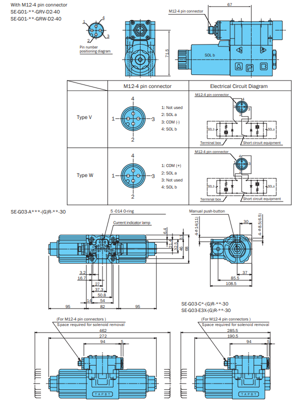
Kích thước lắp đặt Van điện SE-G01-H3X-GRV-D2-40 Nachi
Mã đặt hàng Van điện SE-G01-H3X-GRV-D2-40 Nachi
Ứng dụng của Van điện SE-G01-H3X-GRV-D2-40 Nachi
Van điện SE-G01-H3X-GRV-D2-40 đóng vai trò quan trọng như van điều khiển hướng (directional control valve) trong hệ thống thủy lực, giúp kiểm soát dòng dầu một cách chính xác và hiệu quả.
- Các hệ thống tự động hóa công nghiệp, như máy ép, máy CNC, và dây chuyền sản xuất, nơi cần điều khiển hướng dòng chảy nhanh chóng và tiết kiệm năng lượng.
- Máy móc yêu cầu áp suất cao và lưu lượng ổn định, tránh tình trạng quá tải hoặc hỏng hóc do nhiệt độ cao.
- Hệ thống thủy lực di động hoặc cố định, đặc biệt trong ngành cơ khí, khai thác và chế tạo, nơi van solenoid giúp bảo vệ thiết bị khỏi đột biến áp suất.
- Thay thế cho các van cũ trong máy móc Nhật Bản, đảm bảo tính tương thích và nâng cao hiệu suất tổng thể.
Địa chỉ cung cấp Van điện SE-G01-H3X-GRV-D2-40 Nachi chính hãng, giá tốt trên toàn quốc
Thủy Lực An Huy là một trong những đơn vị dẫn đầu cả nước trong lĩnh vực tự động hóa và phân phối thiết bị thủy lực từ các thương hiệu hàng đầu thế giới như: Parker, Nachi, Yuken, YuciYuken, Eaton, Huade, Aseda,… Với gần 20 năm kinh nghiệm, công ty tự tin sẽ đem đến cho quý khách hàng những sản phẩm chất lượng nhất với giá cả cạnh tranh trên thị trường.
Thủy Lực An Huy tự hào là đơn vị phân phối chính hãng các dòng sản phẩm của hãng Nachi Nhật Bản như bơm, van, xi lanh thủy lực. Chúng tôi cam kết:
- Hàng chính hãng 100%, đầy đủ CO, CQ để đảm bảo nguồn gốc rõ ràng và chất lượng.
- Giá tốt – Giao hàng nhanh chóng trên toàn quốc.
- Hỗ trợ kỹ thuật chuyên sâu từ đội ngũ chuyên gia giàu kinh nghiệm.
CÔNG TY CỔ PHẦN TỰ ĐỘNG HÓA AN HUY
——————————————————————————
Địa chỉ : 91 Đê La Thành, Ô Chợ Dừa, Đống Đa, Hà Nội
Điện thoại: 0977282045 – 0989257507
Email: anhuyhydraulic@gmail.com
——————————————————————————





















